ELECTRIC POWER
浙江启上电力设备有限公司
ZHEJIANG QISHANG ELECTRIC POWER EQUIPMENT CO., LTD.
首页
关于我们
产品中心
氧化锌避雷器
过电压保护器
DSN-电磁锁
DXN-带电显示器
穿墙套管
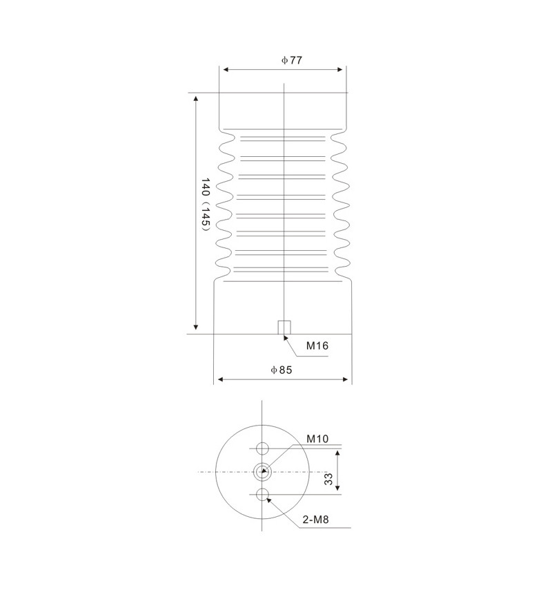
绝缘子系列
高压熔断器
触头盒系列
加热器系列
照明灯系列
故障指示器系列
温湿度控制器系列
跌落式熔断器避雷器系列
消谐器系列
静触头系列
联系我们
—— PRODUCTS CENTER ——
监测器系列
计数器系列
户外隔离开关
真空断路器
相关推荐
在线咨询